Mobile unlocking and repairing tricks
You will get every solution for your mobile.
Pages
Home
contact us
Privacy Policy
Wednesday, 1 June 2011
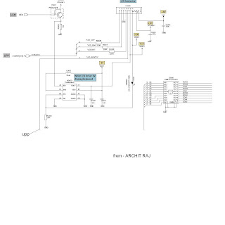
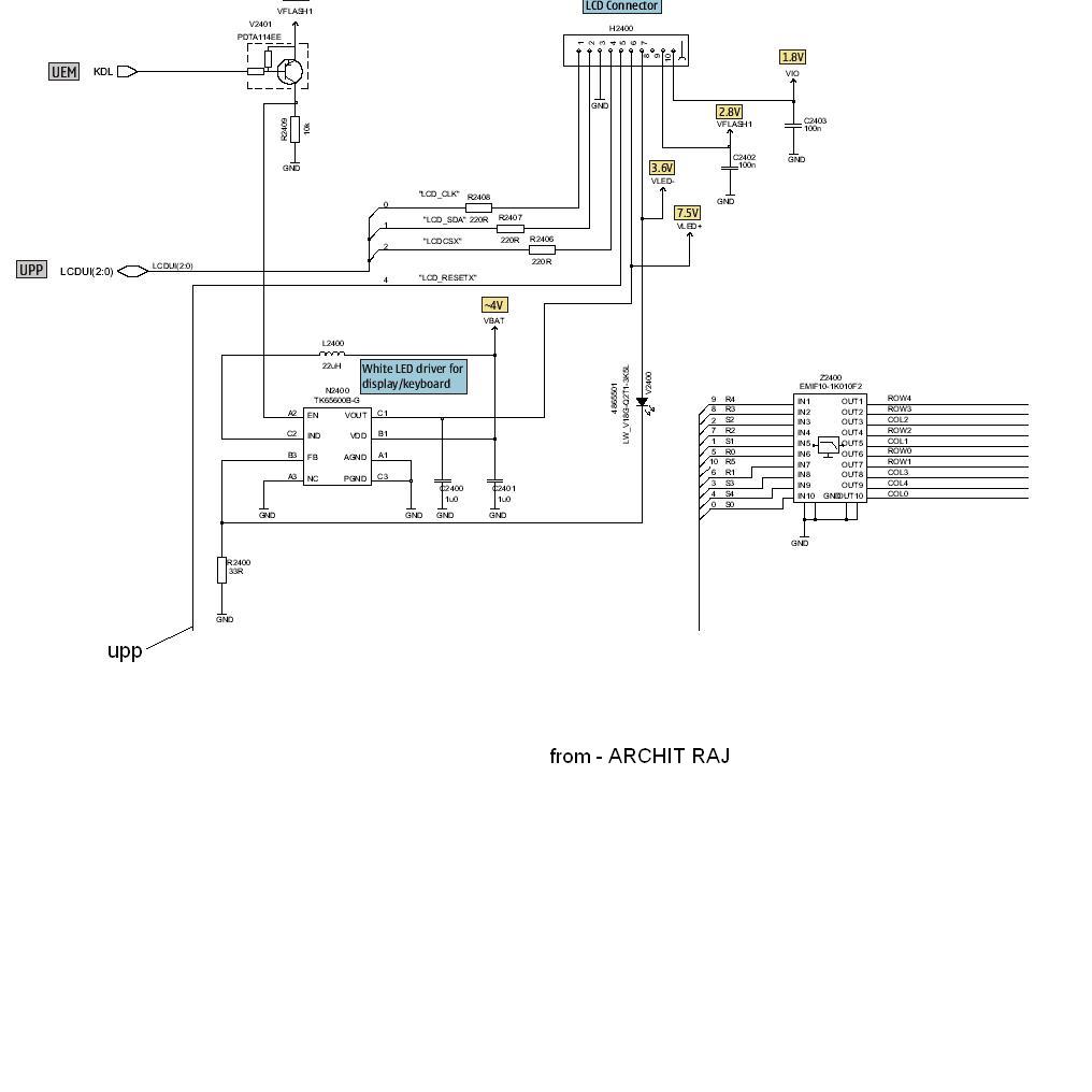
nokia 1110 display problem solved
Some times the nokia 1110 shows no diplay, or blue display, or white display so all these problems can be solved from the following solution. must reply thanks.
No comments:
Post a Comment
Newer Post
Older Post
Home
Subscribe to:
Post Comments (Atom)
No comments:
Post a Comment